卡车之家 来卡车之家App
及时获取
最新卡车资讯
你好, 网站地图
卡车之家,商用车互动服务平台 全国
选择地区
全国 北京 河北 江苏 浙江 山东 河南 广东 上海 四川 重庆 山西
扫码下载APP

微信扫一扫下载详情

关注微信

微信扫一扫关注详情

轻卡 重卡 微车 牵引车 载货车 自卸车 皮卡 挂车 专用车 总成/配件 电动车
卡车之家
您的当前位置:首页 > 政策法规 > 税费政策

新疆调整通行费计费方式 收费细则来了

卡车之家
微光吹过薄荷绿

做一个帅气的卡友很累,这点我真的深有体会。

自2020年1月1日起,全疆收费公路货车通行费计费方式由计重收费调整为按车(轴)型收费,客车收费标准执行原标准。

新疆调整通行费计费方式 收费细则来了

据悉,此次全疆收费公路货车通行费计费方式调整方案和标准,由自治区交通运输厅、自治区发改委、自治区财政厅共同会商确定,旨在深化收费公路制度改革,推进道路运输降本增效。

目前我国高速公路普遍实行货车计重收费,由于计重收费需要停车称重,在一定程度上影响了收费站通行效率和货车ETC推广。

新的《收费公路车辆通行费车型分类》将于2020年1月1日起执行,新疆也将统一取消货车计重收费,按车(轴)型收费,高速公路客车、货车均实行ETC电子不停车收费,封闭式高速公路收费站入口统一按车(轴)型收费,取消现有的计重收费。同时,实施高速公路入口不停车称重检测,避免违法超限超载运输行为。

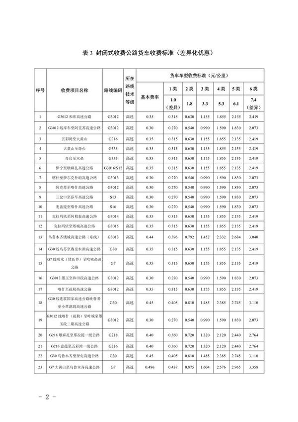
12月19日,笔者从新疆维吾尔自治区交通运输厅了解到,根据《收费公路车辆通行费车型分类》行业标准,将载货汽车按照总轴数、车长和总质量进行分类。其中,2轴载货汽车车长小于6米且总质量小于4.5吨的为1类货车,车长大于等于6米或总质量大于等于4.5吨的为2类货车;3至6轴货车分别为3类、4类、5类和6类。

货车通行费计费方式由计重收费调整为按车(轴)型收费后,1类货车收费标准按计重收费基本费率对应的车型分类收费标准执行。未实施计重收费的路段,1类货车收费标准执行原标准。

大件运输车辆,6轴以下(含6轴)执行对应货车通行费收费标准。超过6轴的货车(含大件运输车辆)通行费收费标准,以6轴货车收费系数为基准,每增加1轴收费系数增加0.6。

据了解,本次按差异化收费政策进一步对1类和6类货车进行优惠,1类货车收费标准优惠10%,6类货车收费标准优惠6.62%。

新疆维吾尔自治区收费公路货车通行费收费标准(试行)

新疆调整通行费计费方式 收费细则来了

新疆调整通行费计费方式 收费细则来了

新疆调整通行费计费方式 收费细则来了

新疆调整通行费计费方式 收费细则来了

表格由新疆维吾尔自治区交通运输厅提供

注:G30线小草湖至乌鲁木齐高速公路正在实施改扩建工程,且小草湖、盐湖、柴窝堡收费站未实施计重收费,改扩建期间货车基本费率仍执行原车型收费标准0.25元/车公里。

条网友评论

下一篇

最重达169.4吨 淄博交警查11辆超载货车

淄博市公安局交通警察支队临淄大队持续开展重型超载车整治集中行动,严厉查处货车车辆各类交通违法行为.12月19日晚,联勤机动一队在北羊执法站联合朱... 2019年12月20日
我要评论 意见反馈